栖凤楼茶楼论坛永久地址长沙后花园419论坛 ,栖凤阁论坛(登录)全国楼封信信息论坛,老哥论坛网页登录入口,桂林夜网桑拿论坛交流

GVANGJSIH BOUXCUENGH SWCIGIH SUIJYIN FAZCANH CUNGHSINH
广西壮族自治区水运发展中心

GVANGJSIH BOUXCUENGH SWCIGIH CONZBWZ GENJYEN CUNGHSINH
广西壮族自治区船舶检验中心
当前位置: 首页服务水路出行
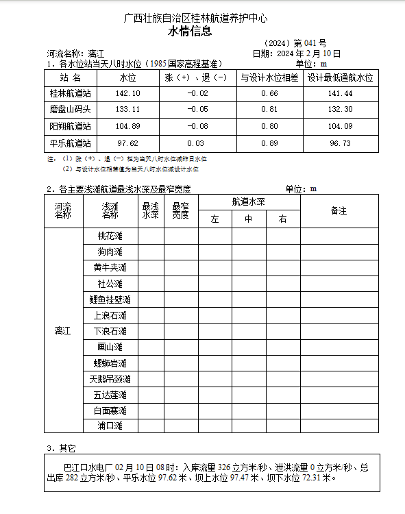
桂林航道养护中心20240210水情信息
   文章来源:本站  文章作者:管理员  发布日期:2024-02-10  浏览:382次  

1.png

技术支持:广西交通设计集团有限公司 最佳效果浏览器:IE11 最佳浏览分辨率:1920*1080